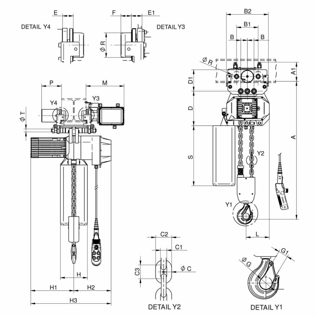
WR-CE electric
trolley configuration
This type of configuration is used when there is a need to lift a load and move it laterally, changing its starting position. In this case the translation takes place very precisely thanks to the activation of an electric motor.
The capacity ranges from 1000 to 5000 kg with a single pull of chain.











